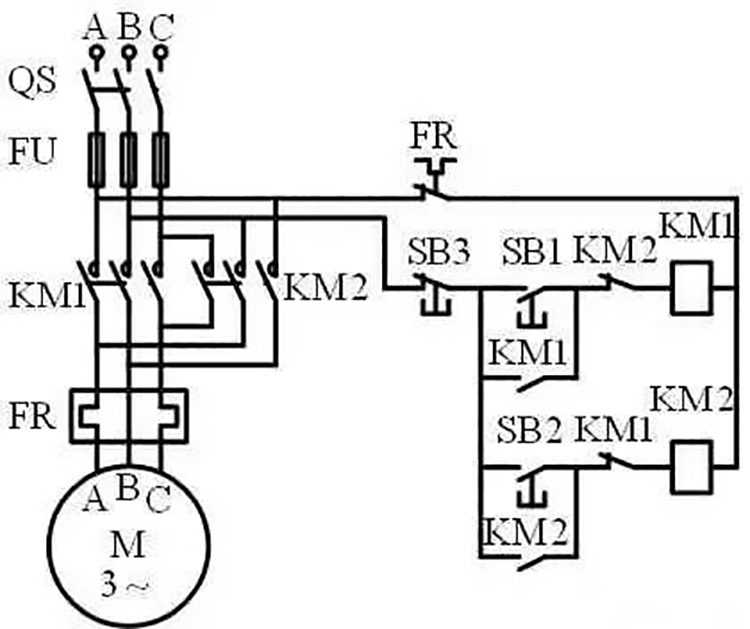
Explanation of contactor interlock wiring diagram
Jun 21,2023 | simplybuy industrial
This is two contactors KM1, KM2 control the forward and reverse circuit of the motor

If KM1 and KM2 operate at the same time, the main circuit will be severely short-circuited, resulting in an accident. Therefore, the normally closed contact of KM1 is connected in series in the KM2 coil circuit, and the normally closed contact of KM2 is connected in series in the KM1 coil circuit. Once KM1 is energized and rotates forward, KM2 cannot be energized, objectively preventing short-circuit accidents